This product guide contains the specification for Blind rivet nuts with a full countersunk head, a straight round knurled shank and an open end, a stock item available from Westfield Fasteners.
Blind rivet nuts are installed by inserting the rivet nut into the correctly sized and shaped hole within the sheet material. The rivet nut is compressed using a pneumatic powered or hand rivet nut tool, gripping it firmly to the sheet material.
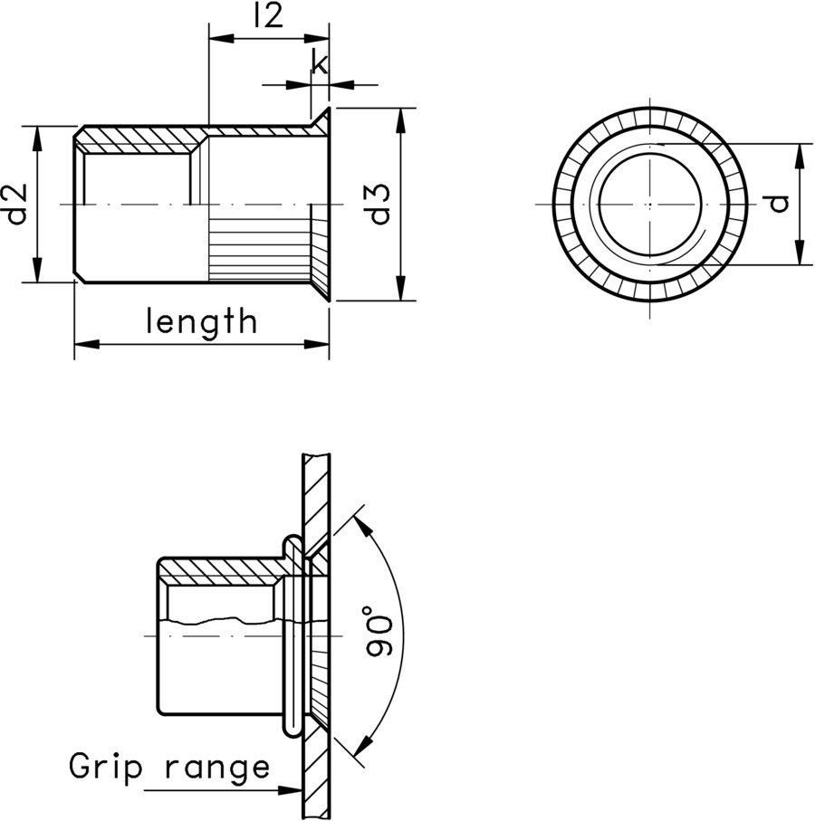
In the compression process, the thinner walled section without the thread collapses to form a collar on the blind side of the sheet material. This prevents the nut from being pulled back through the hole and fixes it securely to the sheet material.
Like blind rivets, rivet nuts do not require access to the back of the material. Features like knurling or the hexagonal shaped body within a hexagonal shaped hole will help prevent the rivet nut from turning.
This particular type of rivet nut features a full size countersunk head, a straight round knurled shank and an open end, and is a more common type of rivet nut. The countersunk head allows for the rivet nut to have a flush finish in application, and allow for a neat finish in applications where the rivet nuts are visible, making them appropriate for most applications, including connecting soft or brittle materials to a rigid backing.
The knurling/serrations will help to grip the nut to the connecting materials and stop it turning. The open end allows a bolt of any length to be used with the rivet nut, making it more vibration resistant.
This type of rivet nut is used in a multitude of industries such as aerospace, automotive, rail, HVAC, white goods, electronics, DIY and general engineering.
Table 1 below gives dimensions for stainless steel variants in available sizes from M3 to M12, along with information on sheet material thickness, pre-drilled hole sizes and tensile strengths. Table 2 provides similar information for zinc plated steel items.
Please note that the table data below supplies typical strength values, head dimensions, and overall length, which may vary between batches. Any tightening torque specifications given are guide values depending on the material of the original component and should be checked by testing.

| Thread Diameter (d) | Grip Range | Hole Size | Body Diameter (d2) | Flange Diameter (d3) | Flange Thickness (k) | Body Overall Length | Length 2 (l2) | Shear Force (N) | Tensile Strength (N) |
|---|---|---|---|---|---|---|---|---|---|
| M3 | 1.5 - 2.0 | 4.9 | 4.8 | 8 | 1.7 | 9 | 4.5 | 900 | 3900 |
| M4 | 1.5 - 3.5 | 6 | 5.9 | 9 | 11.5 | 5.5 | 1500 | 6800 | |
| M5 | 1.5 - 4.0 | 7 | 6.9 | 10 | 13.5 | 5.8 | 2000 | 11500 | |
| M6 | 1.5 - 4.5 | 9 | 8.9 | 12 | 16 | 7 | 3000 | 16500 | |
| M8 | 1.5 - 4.5 | 11 | 10.9 | 14 | 19 | 8.5 | 4400 | 25000 | |
| M10 | 1.5 - 4.5 | 13 | 12.9 | 16 | 21 | 9 | 5000 | 32000 | |
| M12 | 1.5 - 4.5 | 15 | 14.9 | 18 | 24 | 10 | 6500 | 34000 |
| Thread (d) | Grip Range | Hole Size | Body Diameter (d2) | Flange Diameter (d3) | Flange Thickness (k) | Body Overall Length | Max Tightening Torque (Nm) | Tensile Strength (N) |
|---|---|---|---|---|---|---|---|---|
| M3 | 1.5 - 2.5 | 5.0 | 4.9 | 7.5 | 1.5 | 9.5 | 1.0 | 3900 |
| 2.5 - 4.0 | 10.5 | |||||||
| M4 | 1.5 - 3.0 | 6.0 | 5.9 | 8.5 | 12.0 | 3.0 | 6800 | |
| 3.0 - 5.0 | 13.0 | |||||||
| M5 | 2.0 - 3.5 | 7.0 | 6.9 | 10.0 | 13.0 | 6.0 | 10000 | |
| 3.0 - 5.0 | 15.0 | |||||||
| M6 | 1.5 - 4.0 | 9.0 | 8.9 | 12.0 | 15.5 | 10.0 | 15000 | |
| 4.0 - 6.0 | 17.0 | |||||||
| M8 | 2.0 - 4.5 | 11.0 | 10.9 | 14.0 | 18.5 | 24.0 | 27000 | |
| 4.5 - 6.0 | 19.0 | |||||||
| M10 | 2.0 - 5.0 | 13.0 | 12.9 | 16.0 | 21.0 | 32.0 | 28500 | |
| 3.5 - 6.5 | 24.0 | |||||||
| M12 | 2.0 - 5.0 | 16.0 | 15.9 | 19.0 | 1.9 | 24.0 | 44.0 | 48000 |
| 5.0 - 7.0 | 29.0 |