This product guide contains the specification for metric plain hex flange nuts, a series of standard parts available from Westfield Fasteners. The basis of this specification is the DIN standard DIN 6923.

| Thread, d | (M3) | (M4) | M5 | M6 | M8 | M10 | M12 | M14 | M16 | M20 | |
|---|---|---|---|---|---|---|---|---|---|---|---|
| Pitch, p | 0.5 | 0.7 | 0.8 | 1 | 1.25 | 1.5 | 1.75 | 2 | 2 | 2.5 | |
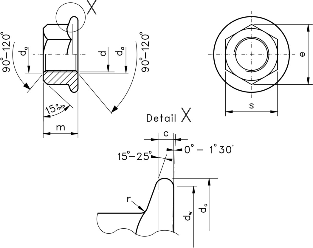
| Flange Thickness, c | min | - | - | 1 | 1.1 | 1.2 | 1.5 | 1.8 | 2.1 | 2.4 | 3 |
| Inner Bearing Surface Diameter, da | min | - | - | 5 | 6 | 8 | 10 | 12 | 14 | 16 | 20 |
| max | - | - | 5.75 | 6.75 | 8.75 | 10.8 | 13 | 15.1 | 17.3 | 21.6 | |
| Flange Diameter, dc | max | 7.8 | 10 | 11.8 | 14.2 | 17.9 | 21.8 | 26 | 29.9 | 34.5 | 42.8 |
| Outer Bearing Surface Diameter, dw | min | - | - | 9.8 | 12.2 | 15.8 | 19.6 | 23.8 | 27.6 | 31.9 | 39.9 |
| Hex Corner to Corner, e | min | 6.33 | 7.66 | 8.79 | 11.05 | 14.38 | 16.64 | 20.03 | 23.36 | 26.75 | 32.95 |
| Nut Height, m | max | 3.8 | 4.65 | 5 | 6 | 8 | 10 | 12 | 14 | 16 | 20 |
| min | - | - | 4.7 | 5.7 | 7.6 | 9.6 | 11.6 | 13.3 | 15.3 | 18.9 | |
| Spanner Size, s | nom=max | 5.5 | 7 | 8 | 10 | 13 | 15 | 18 | 21 | 24 | 30 |
| min | - | - | 7.78 | 9.78 | 12.73 | 14.73 | 17.73 | 20.67 | 23.67 | 29.67 | |
| Radius, r | max | - | - | 0.3 | 0.36 | 0.48 | 0.6 | 0.72 | 0.88 | 0.96 | 1.2 |